Sonoma Scientific C5ST2嵌入式環行器(5.8-8.4GHz)
發布時間:2025-11-10 09:10:23 瀏覽:189
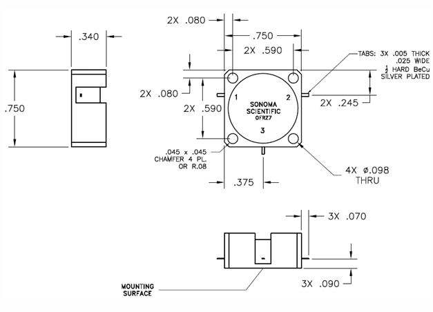
Sonoma ScientificC5ST2嵌入式環行器(5.8-8.4GHz)

電氣特性
頻率范圍:5.8 - 8.4 GHz(適用于無線通信、雷達等)
插入損耗:≤ 0.5 dB(信號損耗低)
隔離度:≥ 16 dB(端口間干擾小)
駐波比(VSWR):≤ 1.38:1(匹配良好)
功率處理:正向 50 W(平均),反向 30 W(平均)
工作溫度:-30°C 至 +85°C(寬溫適用)
旋轉方向:順時針
機械特性
尺寸:0.75" × 0.75" × 0.34"(英寸)
連接器:銅質 Tab 式
材質:鋼外殼(耐用)
表面處理:鍍鎳(防腐蝕)
適用場景:需要低損耗、高隔離度的射頻系統,如衛星通信、微波中繼等。
Sonoma Scientific是設計和制造射頻/微波鐵氧體隔離器和環行器的全球領導者,為醫療、軍事、公共安全、衛星和雷達應用領域的客戶提供服務。該公司提供從 40 MHz 到 50 GHz 的各種定制和現成解決方案。Sonoma Scientific以其高質量的微波組件而聞名,其射頻隔離器和環形器包括波導(Waveguide)、同軸(Coaxial)、混合(Hybrid)、插入式(Drop-Ins)和微帶線(Microstrip)等不同類型,深圳市立維創展科技有限公司,優勢代理銷售Sonoma產品,歡迎咨詢。
推薦資訊
ADQ36具備靈活的軟件可選配置,支持雙通道和四通道模式,采樣速率分別為5 GSPS和2.5 GSPS,輕松滿足各類信號采樣需求。其可編程直流失調功能,使得ADQ36成為單極性信號采樣的優選方案。板上集成的Xilinx Kintex Ultrascale KU115 FPGA為實時數字信號處理(DSP)提供了豐富的資源,為定制應用提供了無限可能。此外,ADQ36支持高達7 GB/s的點對點流傳輸至主機PC或圖形處理單元(GPU),大幅提升了數據處理效率。
Bird射頻電纜選用RG-58/U材料。模制應力消除和PVC覆層成型,在確保整體周期內無錯誤的傳輸數據。匹配電阻的雙絞線構造最大限度的降低了串擾,保證了高速、無錯誤的傳輸。
在線留言